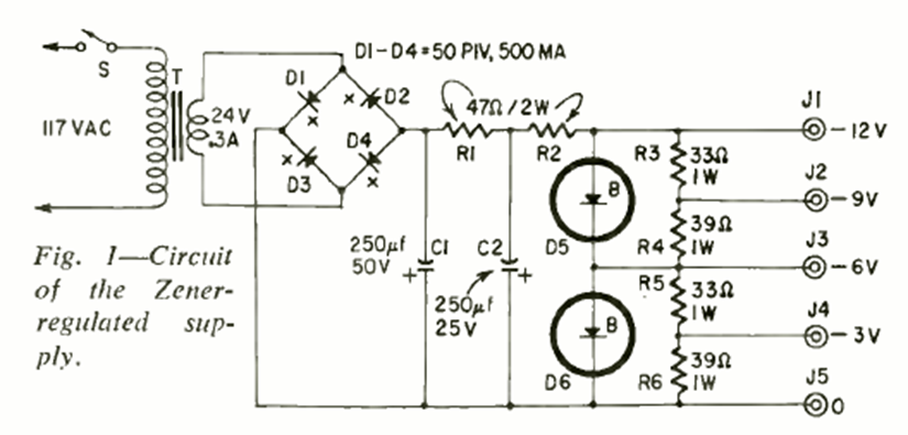
This 4-voltage power supply using zener diodes has a maximum recommended current of 25 mA. The circuit was found in the May 1966 Radio Electronics magazine.
This oscillator, from an old Argentine publication from 1973, uses the inductance of the 500 ohms...
Found in Popular Elecronics, this configuration also appears in this section, but obtained from other...
The operational ones used in this project are old types from National Semiconductor, since the...