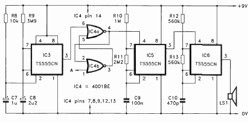
This circuit was found in English documentation from 1995. The circuit can be used in many applications. The speaker is of high impedance or transducer type.

This circuit was found in English documentation from 1995. The circuit can be used in many applications. The speaker is of high impedance or transducer type.
