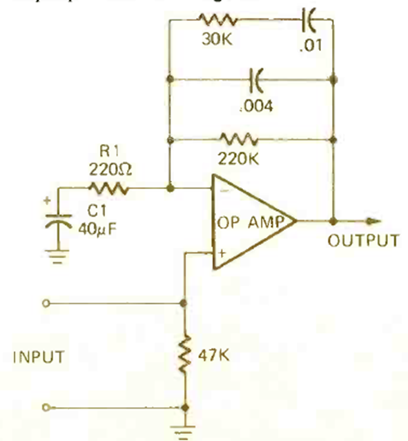
Found in a December 1972 Radio Electronics magazine article, this diagram shows an operational amplifier with RIAA equalization for use with ceramic phono pickup cartridges.

Found in a December 1972 Radio Electronics magazine article, this diagram shows an operational amplifier with RIAA equalization for use with ceramic phono pickup cartridges.
