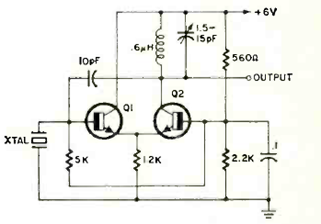
This oscillator for the fifth overtone of a crystal was found in a Radio Electronics magazine from May 1970. Transistors are RF types, and the transistor determines the maximum frequency achieved.
We found this circuit in an old documentation. The instrument can be an ordinary multimeter in the...
This simple electroscope with bipolar transistors is not the most sensitive, but can detect static...
This circuit was found in an old Popular Electronics. It causes an LED to pulse and, at the same...