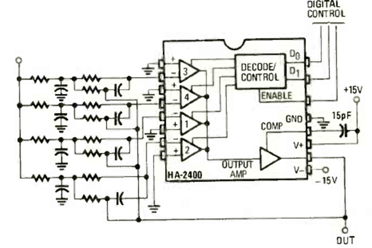
Through digital control, this circuit activates the input filters that have the frequencies selected by their components. The circuit is from Radio Electronics from March 1980. The integrated circuit is the HA2400.
Through digital control, this circuit activates the input filters that have the frequencies selected by their components. The circuit is from Radio Electronics from March 1980. The integrated circuit is the HA2400.