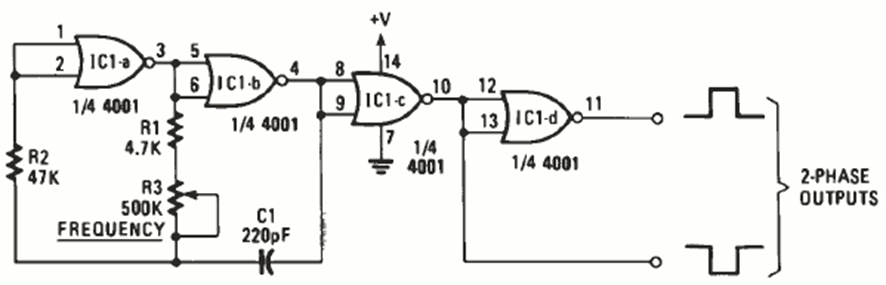
This is a common oscillator configuration that generates rectangular signals in phase opposition. This circuit is from October 1986 Radio Electronics.
This circuit meets applications in remote control. It allows to control a motor from input pulses. The...
This circuit emits a warning sound when night falls. The circuit is from a Hands On Electronics from...
This circuit can operate between frequencies from 1 to 15 MHz depending on the coil. For 3.5 MHz...