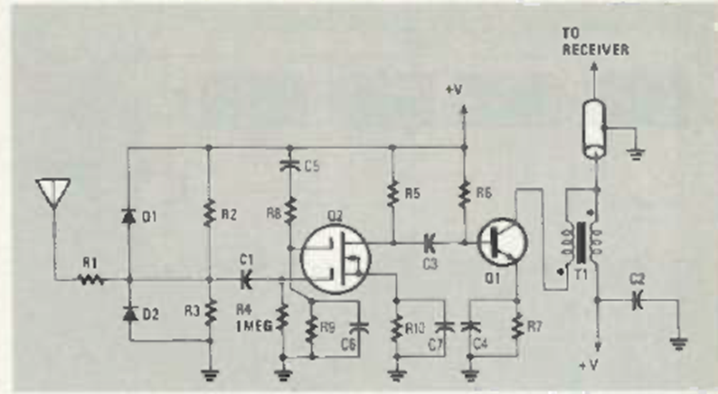
Although it uses a dual-channel FET, which is hard to find today, this circuit was released in a Radio Electronics issue in April 1986. It serves as a signal booster for a wide range of frequencies.
This circuit meets applications in remote control. It allows to control a motor from input pulses. The...
This circuit emits a warning sound when night falls. The circuit is from a Hands On Electronics from...
This circuit can operate between frequencies from 1 to 15 MHz depending on the coil. For 3.5 MHz...