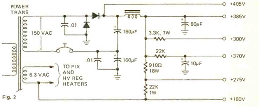
This power supply was featured in the December 1973 issue of Radio Electronics magazine. This type of circuit was used at the time to power tube televisions.
Using the well-known SAA1027, this circuit serves as interface for PC. No English documentation was found...
Found in a 90’s American documentation, this circuit indicates the frequency of input pulses up to 1...
With the circuit shown, you can have a fast response with a Darlington configuration. The circuit is...