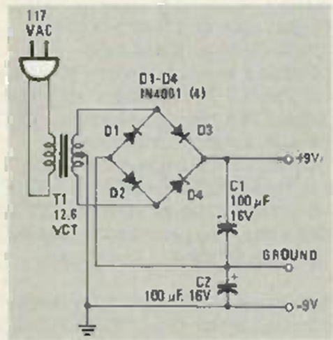
The figure shows a simple way to obtain a negative voltage from a common source configuration. The circuit is from a Radio Electronics from May 1986.

The figure shows a simple way to obtain a negative voltage from a common source configuration. The circuit is from a Radio Electronics from May 1986.
