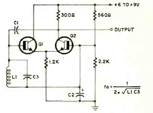
We found this circuit in the May 1970 issue of Radio Electronics magazine. The maximum frequency depends on the transistors used. The formula for calculating the frequency is given next to the diagram. The transistors are emitter coupled.

We found this circuit in the May 1970 issue of Radio Electronics magazine. The maximum frequency depends on the transistors used. The formula for calculating the frequency is given next to the diagram. The transistors are emitter coupled.
