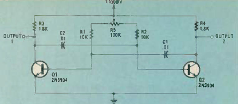
This common circuit is from September 1984 Radio Electronics. The transistors are general purpose, and the frequency is given by the capacitors.
This simple transistor tester circuit was found in the February 1968 issue of Radio Electronics magazine....
This powerful inverter provides a high-quality sine wave signal. I found it in a Radio Electronics issue...
This squelch is activated by its own noise, acting automatically. It is used in communications...