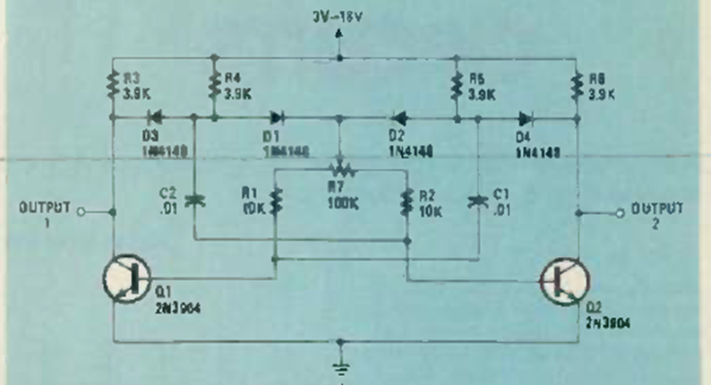
This circuit was found in the September 1984 issue of Radio Electronics magazine. The frequency is given by the capacitors. The diodes help in the starting process.
This game was found in an old Popular Electronics. The unijunction transistor can be 2N2646. The...
This circuit interrupts the power supply when grounding is missing. The circuit is from an old...
In figure 1 we have a circuit that turns on after a certain time and then turns off, also after a...