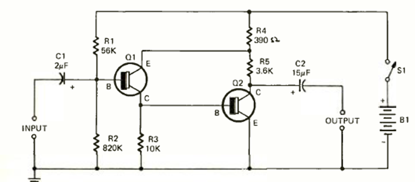
This general purpose two-transistor complementary configuration was found in the December 1972 issue of Radio Electronics magazine. The power supply is between 6 and 12 V.
This game was found in an old Popular Electronics. The unijunction transistor can be 2N2646. The...
This circuit interrupts the power supply when grounding is missing. The circuit is from an old...
In figure 1 we have a circuit that turns on after a certain time and then turns off, also after a...