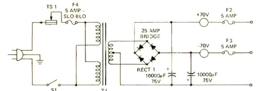
This circuit is the power supply for the amplifier in the previous circuit. The transformer is 5 A with a voltage of 45 V, obtaining 70 V after rectification.
This simple transistor tester circuit was found in the February 1968 issue of Radio Electronics magazine....
This powerful inverter provides a high-quality sine wave signal. I found it in a Radio Electronics issue...
This squelch is activated by its own noise, acting automatically. It is used in communications...