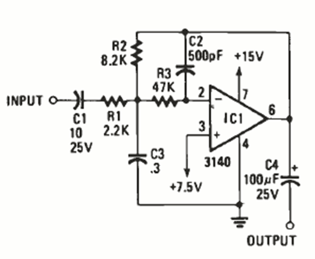
We found this circuit with the CA3140 in October 1986 Radio Electronics magazine. The circuit can be modified to operate at other frequencies.

We found this circuit with the CA3140 in October 1986 Radio Electronics magazine. The circuit can be modified to operate at other frequencies.
