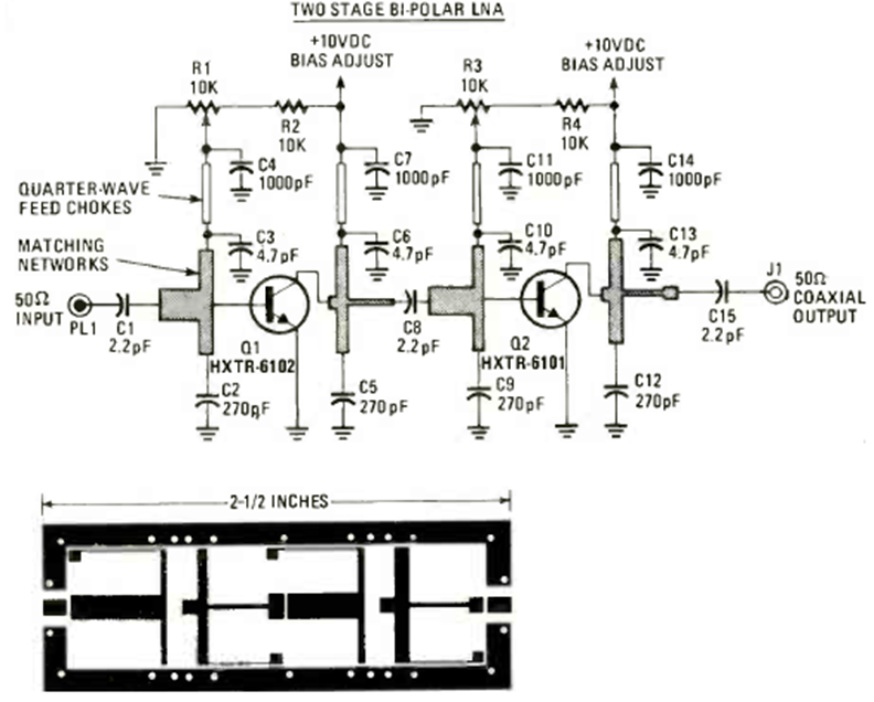
Used in satellite TV receptions in the 1980s, this circuit was found in the March 1980 issue of Radio Electronics magazine. Note the board layout.
This circuit came out in a Popular Electronics from December 1995. It is a double T configuration that...
This circuit starts a water pump at a lower level of the reservoir and then turns it off when it...
This relaxation oscillator, simulated in the Multisim Blue, produces two different signals. The...