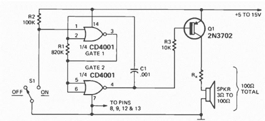
This alarm oscillator was found in the December 1974 issue of Radio Electronics magazine. Rx depends on the power supply and the desired power and can be between 10 and 47 ohms. For more power, a BD136 or TIP32 for the transistor is used (reduce R3 to 1k).




