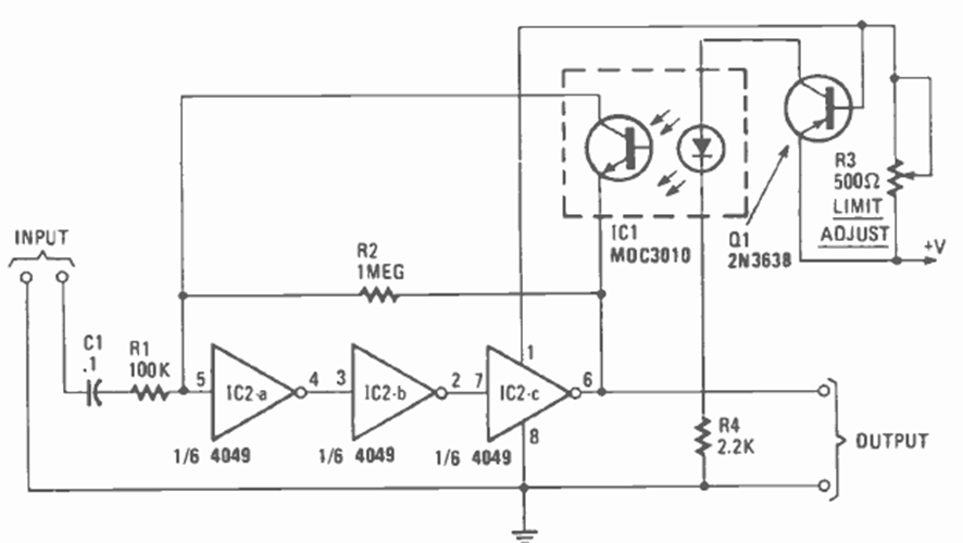
This circuit is a continuation of the previous one, serving as a protector against overloads in amplifiers. The circuit was published in an article in the magazine Radio Electronics in January 1985.
This analog voltmeter with great sensitivity and input resistance has a traditional configuration found in...
This circuit is used to turn on the headlights when it gets dark. The circuit is from an...
The indicated circuit is based on the National Semiconductor LM3524 which is not an easy component to...