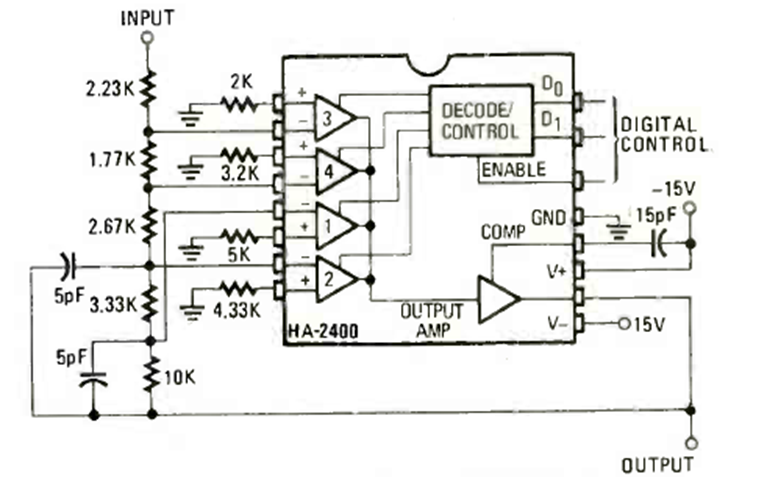
This circuit with the HA2400 was found in the March 1980 Radio Electronics magazine. The circuit has digital-gain control and must be powered by a symmetrical 15 V source.
This circuit was found in a 1966 publication using a microwave transistor of the time. The circuit...
This circuit consists of a decoder for remote control that allows the activation of 10 channels based...
The purpose of this circuit is to control magnetic door locks activated by the power grid. The...