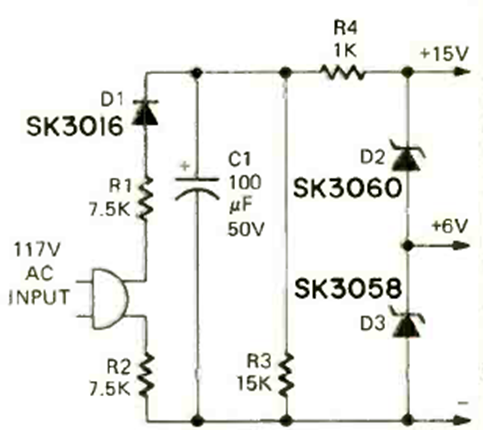
This low-current power supply was found in the April 1973 issue of Radio Electronics magazine. The circuit uses a resistive choke, a 7.5k wire-wound resistor, and period diodes.

This low-current power supply was found in the April 1973 issue of Radio Electronics magazine. The circuit uses a resistive choke, a 7.5k wire-wound resistor, and period diodes.
