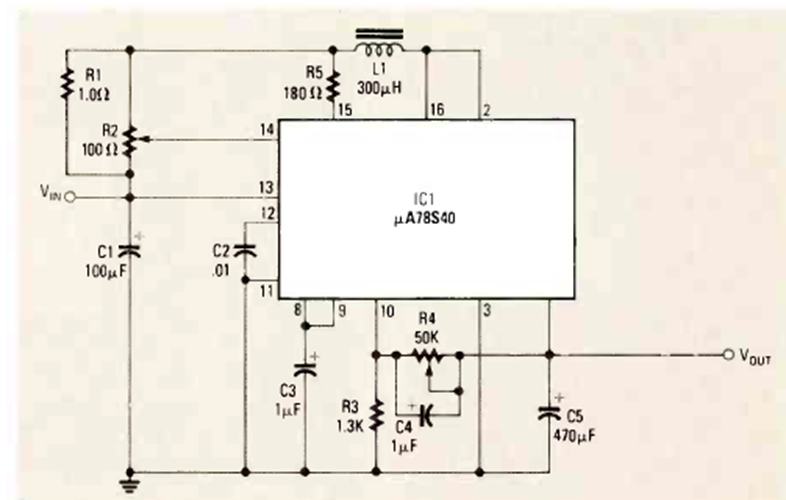
This step-down regulator was found in the December 1985 issue of Radio Electronics magazine. The circuit has an input voltage of 25V.
This control, which may appear in other versions on this site, was found in documentation from the...
We found this circuit in a Motorola documentation from 1978. The circuit is based on the LM324...
We found this circuit in an American 80's documentation. The circuit can be adapted to function as a...