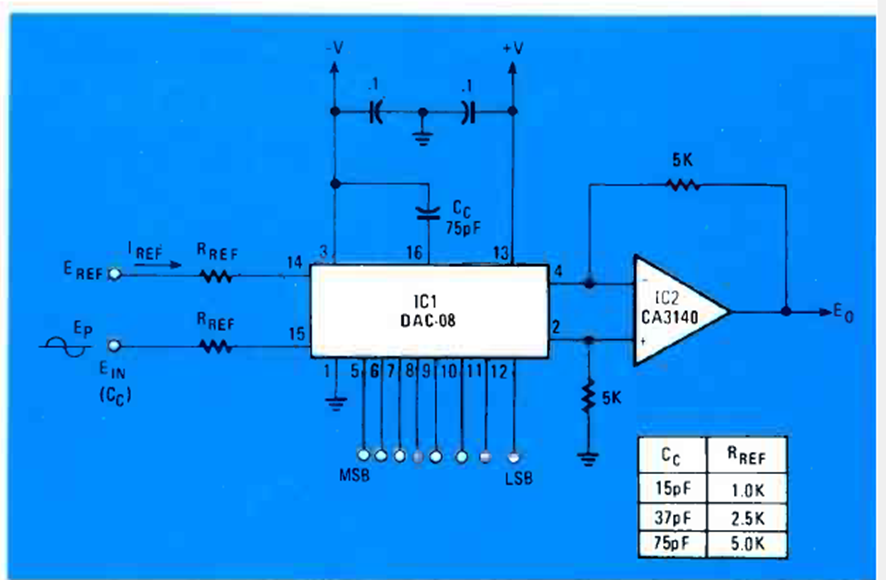
Using a DAC08 integrated circuit this circuit requires a symmetrical power supply. We found it in the Radio Electronics magazine of May 1983. Note that the component values are given in the table.
Using a DAC08 integrated circuit this circuit requires a symmetrical power supply. We found it in the Radio Electronics magazine of May 1983. Note that the component values are given in the table.