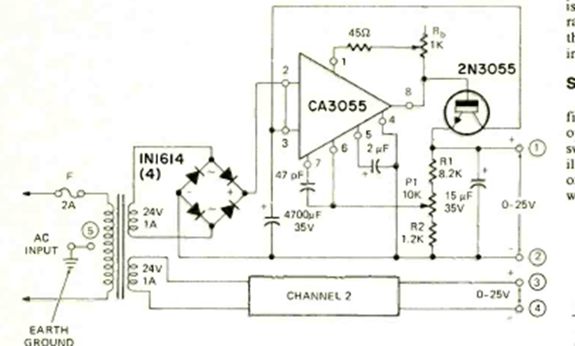
This circuit was found in a Radio Electronics magazine from November 1972. The circuit is based on an integrated circuit of the time and the current is 1 A and is adjusted with a potentiometer.
August 2017 - Texas Instruments' new integrated circuit BQ25872, a 7-A keyed battery charger with...
This crystal oscillator uses a common transistor and its frequency depends on the crystal used. We...
Found in the April 1995 issue of Electronics Now, this circuit operates at a lower frequency than...