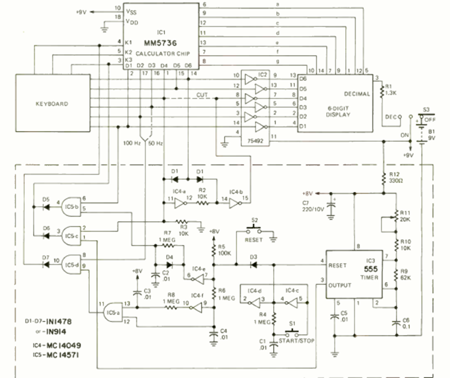
This circuit was found in February 1976, Radio Electronics magazine. The components are from the time and are based on the 555. The power supply must be provided with the indicated voltages.
We found this circuit in the National Semiconductor Audio Handbook of 1977. The circuit produces...
This stage was used in old audio ampliiers and radios from the 1950s and 1960s. It uses one of the...
If the battery is good, the LED flashes. This simple tester uses an LM3909 integrated circuit. We found...