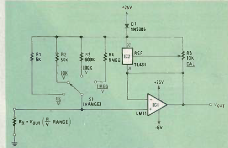
This regulator circuit was found in the June 1984 issue of Radio Electronics magazine. The LM11 is a power operator. Voltage selection is done by a switch,
August 2017 - Texas Instruments' new integrated circuit BQ25872, a 7-A keyed battery charger with...
This crystal oscillator uses a common transistor and its frequency depends on the crystal used. We...
Found in the April 1995 issue of Electronics Now, this circuit operates at a lower frequency than...