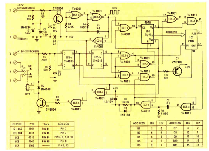
This sophisticated circuit was found in the November 1978 issue of Radio Electronics magazine. Based on CMOS logic, it has several types of timing, controlling the wiper relay.
We found this circuit in the National Semiconductor Audio Handbook of 1977. The circuit produces...
This stage was used in old audio ampliiers and radios from the 1950s and 1960s. It uses one of the...
If the battery is good, the LED flashes. This simple tester uses an LM3909 integrated circuit. We found...