This unijunction transistor trigger pulse generator circuit was found in the March 1973 issue of Radio Electronics magazine. Typical values for Re CT are 100k and 220 nF.
This circuit connected to the input of a good amplifier, with suitable coils can tune stations of medium...
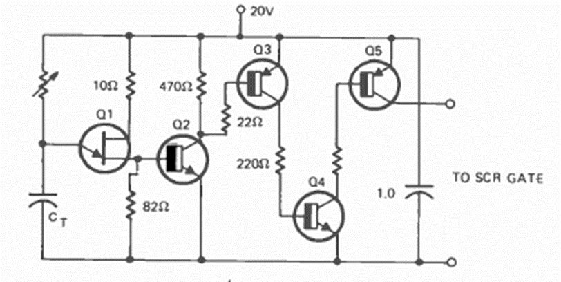
This circuit was obtained in an American documentation of 1975. The transistor can be the BC548, and...
The values of the components of this Mullard (Philips) circuit depend on the desired voltages. The...