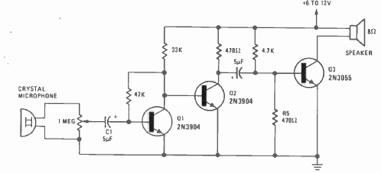
This simple amplifier uses a microphone attached to the telephone. The 3-transistor circuit was found in the May 1977 issue of Radio Electronics magazine. It can be powered by a power supply or battery.
This simple amplifier uses a microphone attached to the telephone. The 3-transistor circuit was found in the May 1977 issue of Radio Electronics magazine. It can be powered by a power supply or battery.