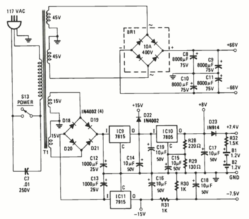
This is the power supply for the amplifier in the previous circuit. The voltage regulators must be equipped with a heat sink and the transformer is high current.
This circuit can be used as a time automation for driving motors in robotics and mechatronics. What we have...
The source used in this timer is of the type without transformer and regulated by the 7 W zener. The...
This trigger-delay circuit was found in a 1960s General Electric unijunction transistor manual. The...