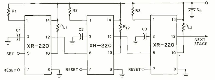
The XR220 is a circuit equivalent to the 555 of the 1970s. This configuration from Radio Electronics magazine, October 1972, shows how to use it in a sequential timer. Resistors and capacitors determine the timing of each stage.
The XR220 is a circuit equivalent to the 555 of the 1970s. This configuration from Radio Electronics magazine, October 1972, shows how to use it in a sequential timer. Resistors and capacitors determine the timing of each stage.