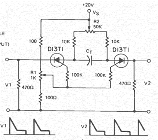
Using two PUTs this circuit generates signals as shown in the figure. The circuit is from a Radio Electronics from March 1973. Note the supply voltage of the circuit.

Using two PUTs this circuit generates signals as shown in the figure. The circuit is from a Radio Electronics from March 1973. Note the supply voltage of the circuit.
