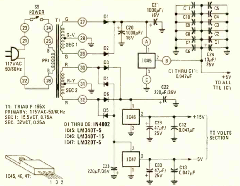
We found this circuit in the April 1979 Radio Electronics magazine. Note the filter capacitor bank that can now be replaced by a single equivalent value capacitor.
Found in old Philips documentation, this circuit uses components from the 60's. | Clique na imagem...
The circuit shown uses the LM324, but can be implemented with other operational ones. The source...
Found in Linear Technology documentation, this circuit drains only 70 uA of the monitored circuit....