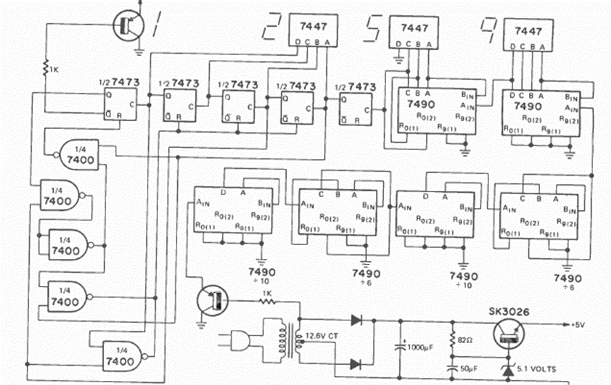
This is a typical 3 ½ digit TTL counter. We found it in the September 1973 issue of Radio Electronics magazine. The circuit is to be powered by 5 V. It can be expanded to more digits.
This signal conditioner humidity sensor was found in a 1980s Linear Technology documentation. The circuit...
We found this circuit in documentation from the 1960s. The transistors are very old Germanium...
This high impedance driver was found in a 1980s documentation. The integrated circuit is a type of...