The use of a diac improves the performance of the two dimmers in the previous circuits. The circuit is from the same Radio Electronics magazine in an article that teaches how to use triacs.
The integrated circuit used in this circuit is not common today, because it is a configuration obtained in...
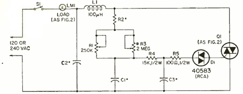
This Siliconix circuit was found in a 1980s documentation. The coil consists of 18 turns of 22...
In the figure we show how to implement an audio oscillator with the 741 integrated circuit by...