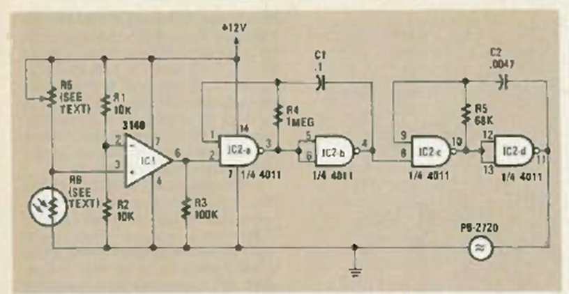
Based on the CA3140 IC, this circuit was found in the June 1986 issue of Radio Electronics. Sensitivity adjustment is made using a trimpot in series with the sensor.
The integrated circuit used in this circuit is not common today, because it is a configuration obtained in...
This Siliconix circuit was found in a 1980s documentation. The coil consists of 18 turns of 22...
In the figure we show how to implement an audio oscillator with the 741 integrated circuit by...