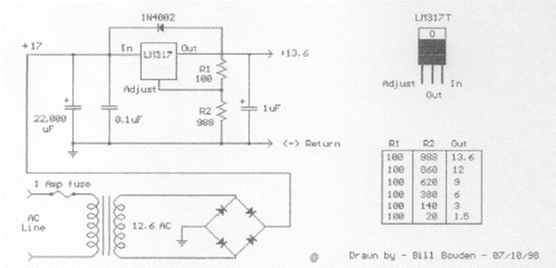
The diagram is from a 1990s document. The integrated circuit must be equipped with a heat sink. The table shows the component values for different output voltages.
The integrated circuit used in this circuit is not common today, because it is a configuration obtained in...
This Siliconix circuit was found in a 1980s documentation. The coil consists of 18 turns of 22...
In the figure we show how to implement an audio oscillator with the 741 integrated circuit by...