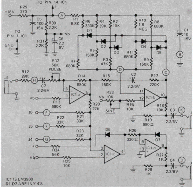
This circuit for music effects and synthesizers was found in a Radio Electronics issue from June 1974. The circuit also consists of a pulse width modulator.
The integrated circuit used in this circuit is not common today, because it is a configuration obtained in...
This Siliconix circuit was found in a 1980s documentation. The coil consists of 18 turns of 22...
In the figure we show how to implement an audio oscillator with the 741 integrated circuit by...