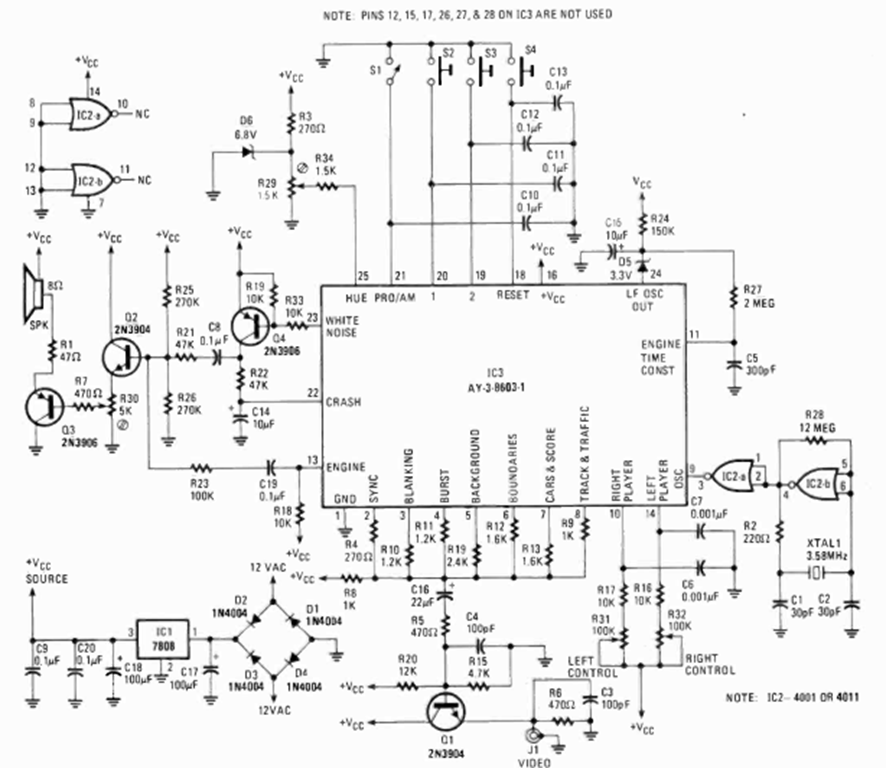
This is the traditional circuit from the 1980 racing video game with the AY3-6603-1 that we also published at the time in our magazines. This circuit is from the Radio Electronics magazine of August 1980.
This digital indicator circuit was found in the June 1988 issue of Radio Electronics magazine. The circuit...
This powerful amplifier with 2N3055 transistors at the output provides a few tens of watts rms on a...
This simple logic level tester was found in Radio Electronics from the 90s. The inverters are of...