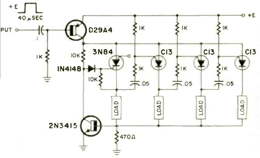
This circuit digitally counts input pulses. The circuit from a November 1970 Radio Electronics uses unijunction programmable transistors. Note the counted pulse duration.
We found this circuit in an American publication from the 90s. The power must be 2 V more than the...
Found in old American documentation, this circuit makes use of operational amplifiers from the 70s...
This linear LED scale circuit was found in the February 1992 issue of Radio Electronics magazine. Note...