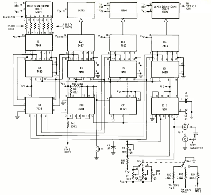
This circuit was found in the December 1977 issue of Radio Electronics magazine. The 4-digit circuit is based on TTL logic and must be powered by a voltage of 5 V.
This circuit was obtained in an old Elektor. It is a reference, since the integrated products of the...
The trigger shown in the figure, built around a 4093 can generate pulses that reach 1 hour with a...
This circuit has the transistor chosen according to the maximum current desired at the output. Unlike...