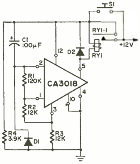
This application of the RCA integrated circuit released at the time was found in the August 1970 issue of Radio Electronics magazine. The relay must have a resistance greater than 240 ohms. The time is given by C1.

This application of the RCA integrated circuit released at the time was found in the August 1970 issue of Radio Electronics magazine. The relay must have a resistance greater than 240 ohms. The time is given by C1.
