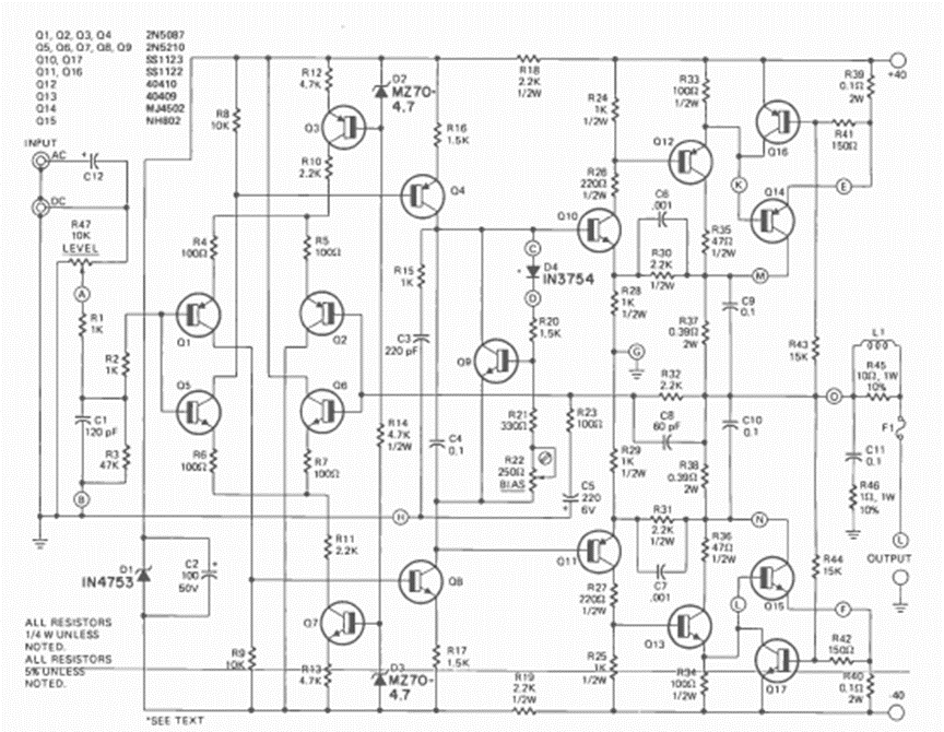
This 60 W per channel amplifier was published in a March 1973 Radio Electronics magazine article. The circuit uses standard power transistors of the time and has an output of 8 ohms. Good heatsinks should be used for the output transistors.
This 60 W per channel amplifier was published in a March 1973 Radio Electronics magazine article. The circuit uses standard power transistors of the time and has an output of 8 ohms. Good heatsinks should be used for the output transistors.