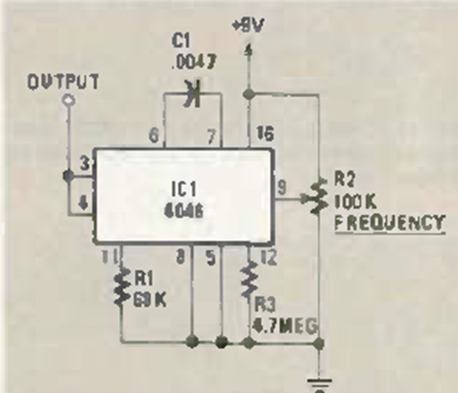
This circuit was found in November 1984 Radio Electronics magazine. The frequency is given by C1 which can be changed to other ranges.
The MC1455 integrated circuit consists of a version of the 555 made by Motorola. The circuit given...
This circuit, from the ON Semiconductor Thyristor Manual, controls both the speed and direction of...
This circuit allows linear brightness control of an LED from an input voltage. The power supply must...