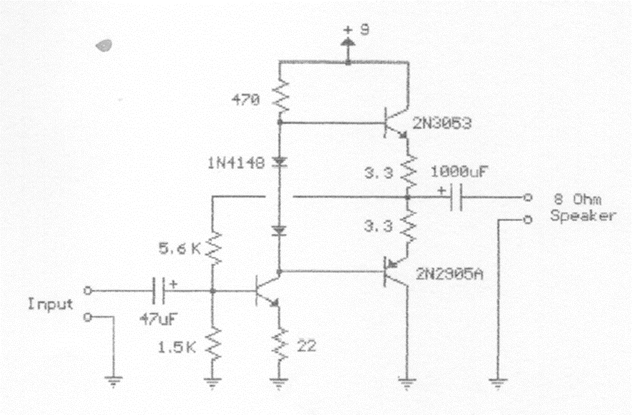
This low-power transistorized amplifier was found in documentation from the 90s. The circuit uses general-purpose transistors of the time and can be replaced by BC558 (PNP or BC548 (NPN). The drain current is 30 mA.
This low-power transistorized amplifier was found in documentation from the 90s. The circuit uses general-purpose transistors of the time and can be replaced by BC558 (PNP or BC548 (NPN). The drain current is 30 mA.