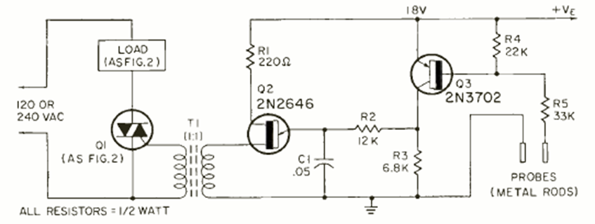
This circuit is from a July 1970 Radio Electronics magazine. The sensors are metal probes. The 18 V power source must be isolated from the mains.
n be assembled with BC558 transistors for low power transistors and a BD136 for the output. The...
This circuit, found in 1980s documentation, produces a rectangular signal of the same frequency as the...
This mixer with few components can be tried by the reader who needs this circuit, but who does not...