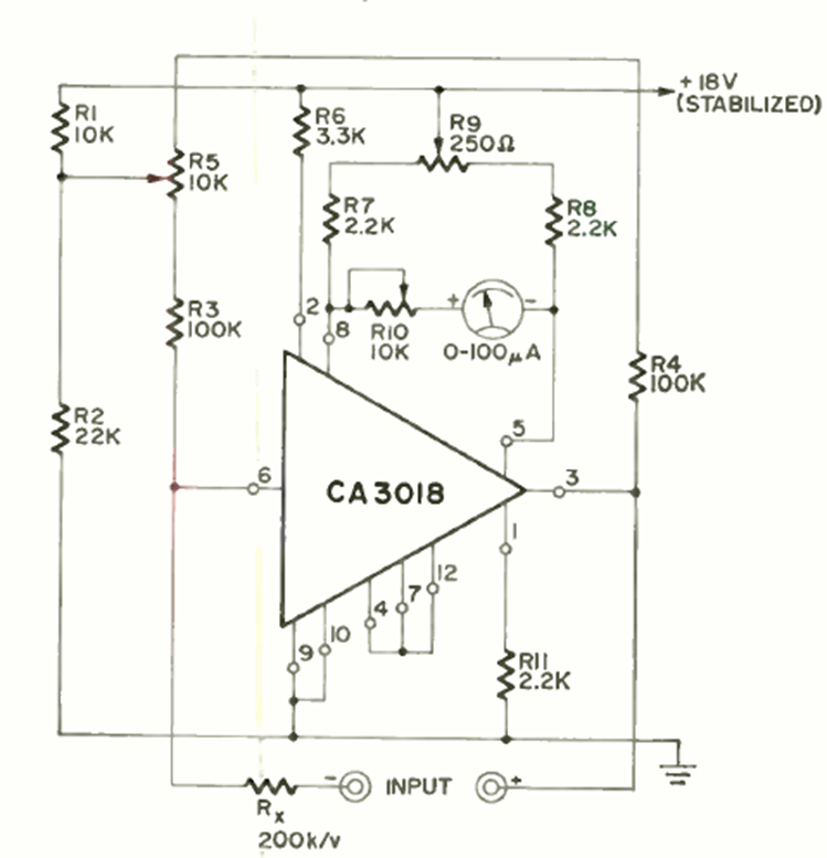
We found this sensitive high input impedance voltage amplifier in the November 1970 Radio Electronics magazine. The circuit is powered by 18 V power source.
We found this circuit in a French technical documentation from 1982. The circuit is still current, as...
This circuit from a Radio Electronics from February 1966 uses an LDR as a sensor. The transistor is a...
This circuit is from a 1968 General Electric manual. It produces a pulse of light when fired,...