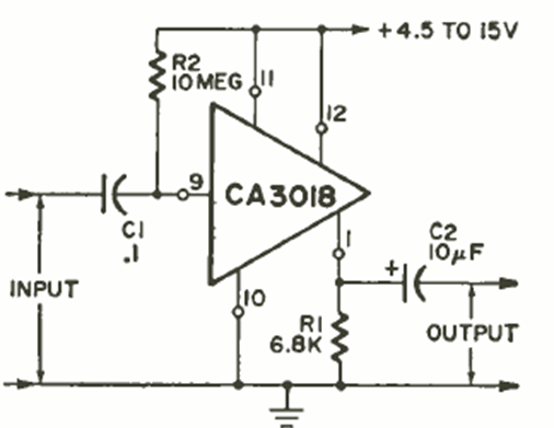
Using the CA3018 released at the time, this circuit was found in the August 1970 Radio Electronics magazine. The circuit has an input resistance of 5 megohms.

Using the CA3018 released at the time, this circuit was found in the August 1970 Radio Electronics magazine. The circuit has an input resistance of 5 megohms.
