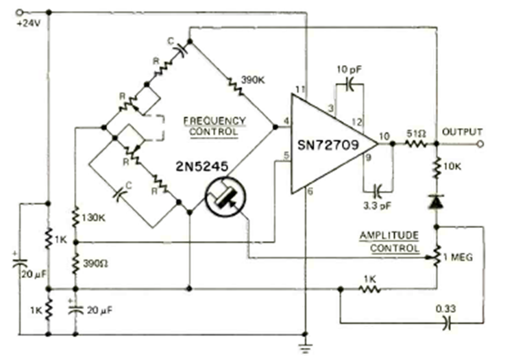
This Wien bridge oscillator circuit uses a Texas Instruments 709 amplifier. It was found in an article in the September 1972 issue of Radio Electronics magazine. It is powered by a 24 V voltage.
We found this circuit in a 1977 radio documentation. The circuit uses TTL frequency dividers from...
In figure we have a three-phase AC motor control for voltages up to 600 V or 1200 V depending on...
The oscillator shown in the figure can generate signals up to 500 kHz and has good stability. Coil...