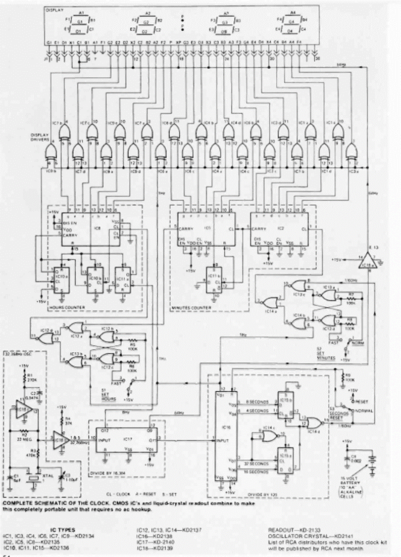
This CMOS logic-based circuit was found in the April 1974 issue of Radio Electronics magazine. The circuit is based on a period display and has hour and minute indications.
n be assembled with BC558 transistors for low power transistors and a BD136 for the output. The...
This circuit, found in 1980s documentation, produces a rectangular signal of the same frequency as the...
This mixer with few components can be tried by the reader who needs this circuit, but who does not...