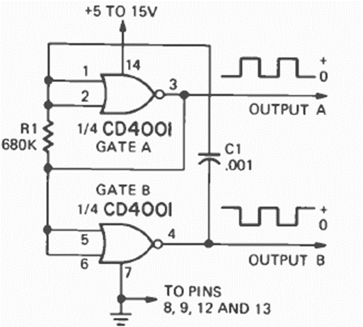
We found this circuit in the November 1974 Radio Electronics magazine. The frequency depends on C1 which can be changed up to the IC's oscillation limit of around 7 MHz at 10 V.

We found this circuit in the November 1974 Radio Electronics magazine. The frequency depends on C1 which can be changed up to the IC's oscillation limit of around 7 MHz at 10 V.
